Power supply is needed for all of electronic circuits. Say you have a 12V power supply and you want to use it as a 5V power supply. Then use this 12v to 5v dc-dc converter circuit diagram to convert 12 volt to 5 volt. This DC converter circuit provide 5V, 1Amp at output. Here is the small schematic circuit diagram of 12volt to 5volt converter.
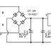
Circuit Diagram of 12VDC to 5VDC converter:
![]() |
| Fig: 12 volt to 5 volt dc converter circuit schematic |
This DC-DC converter is based on IC LM7805. The LM 7805 is a 3-terminal fixed output positive voltage regulator IC. The output current of this circuit is up to 1Amp . Use a heat sink with LM7805 to protect the IC from overheating.

Thanks for one's marvelous posting! I truly enjoyed reading it, you are a great author.I will be sure to bookmark your blog and may come back later on. I want to encourage that you continue your great job, have a nice evening!
ReplyDeleteHere is my blog lacaixa.es particulares
thank you very much
ReplyDelete